Çift Cidarlı Jet Nozul
Çift Cidarlı Jet Nozul, kullanıcı dostu tasarımıyla hava akışını kolayca yönlendirme imkanı sunar. El ile ayarlanabilir yapısı ve kendi ekseni etrafında 360° dikey ve ±30° yatay eksende dönebilme özelliği, uzun mesafe hava atışları için idealdir. Bu sayede, kanal işçiliğinde önemli ölçüde tasarruf sağlar ve ortamın fiziksel şartları nedeniyle ulaşılması güç bölgelere iklimlendirilmiş havayı etkin bir şekilde ulaştırır. Bu özellikleriyle, Çift Cidarlı Jet Nozul, hem fonksiyonel hem de verimli bir hava dağıtım çözümü sunar.
Genel Özellikler
- X El ile kolayca ayarlanarak havayı yönlendirebilir.
- X Kendi ekseni etrafında 360° dikey ve yatay eksende ±30° döndürülebilir.
- X Uzun mesafe atışlarında kullanılır. Kanal işçiliğinden tasarruf sağlar.
- X Ortam fiziksel şartlarından kaynaklı ulaşılması güç bölgelere iklimlendirilmiş havayı ulaştırır.
Malzeme
- STANDART: Alüminyum profilden üretim
- OPSİYONEL: X
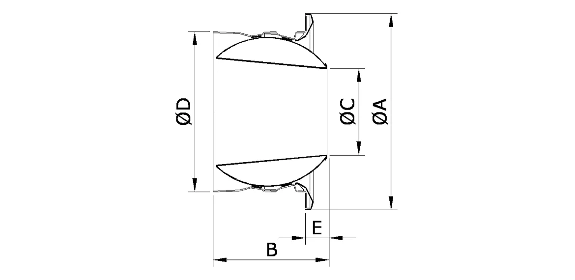
Kasa Tipleri / Ölçülendirme
NOT: Motorlu olması durumunda B ölçüsü 550 mm olmaktadır
|
ÖLÇÜ |
ØD |
ØA |
ØC |
B |
E |
|
Ø250 |
248 |
305 |
134 |
150 |
34 |
|
Ø315 |
313 |
367 |
178 |
228 |
40 |
|
Ø400 |
398 |
488 |
228 |
290 |
48 |
Yüzey Kaplama
- STANDART: RAL 9010 veya RAL 9016 Elektrostatik Toz Boya
- OPSİYONEL: Farklı RAL renk kodları ve Boyasız imalat
Seçim Tablosu
| |||||||
Ölçü | Debi (m3/h) | Efektif Hız [m/s] | Ses Gücü Seviyesi [dB] | Basınç Kaybı [Pa] | Atış Mesafesi (x) [m] | ||
0,25 m/s | 0,5 m/s | 1 m/s | |||||
Ø250 | 100 | 2 | <15 | 2 | 7 | 4 | 2 |
150 | 3 | <15 | 5 | 11 | 5 | 3 | |
200 | 4 | <15 | 9 | 14 | 7 | 4 | |
300 | 6 | <15 | 20 | 21 | 11 | 5 | |
400 | 8 | <15 | 36 | 28 | 14 | 7 | |
500 | 10 | 16 | 55 | 35 | 18 | 9 | |
600 | 12 | 23 | 79 | 42 | 21 | 11 | |
Ø315 | 100 | 1 | <15 | 1 | 5 | 3 | 1 |
190 | 2 | <15 | 3 | 10 | 5 | 3 | |
370 | 5 | <15 | 11 | 20 | 10 | 5 | |
550 | 7 | <15 | 24 | 30 | 15 | 7 | |
730 | 9 | <15 | 43 | 40 | 20 | 10 | |
910 | 11 | 19 | 66 | 49 | 25 | 12 | |
1000 | 12 | 23 | 79 | 54 | 27 | 14 | |
Ø400 | 260 | 2 | <15 | 2 | 11 | 6 | 3 |
580 | 4 | <15 | 9 | 25 | 12 | 6 | |
740 | 5 | <15 | 15 | 31 | 16 | 8 | |
900 | 6 | <15 | 22 | 38 | 19 | 10 | |
1060 | 8 | <15 | 31 | 45 | 22 | 11 | |
1380 | 10 | <15 | 52 | 59 | 29 | 15 | |
1540 | 11 | 19 | 64 | 65 | 33 | 16 | |
1700 | 12 | 23 | 78 | 72 | 36 | 18 | |
Montaj Seçenekleri / Delik Ölçüleri
| Montaj Şekli | Detay |
| Vidalı | ![]() |
| Kanala | ![]() |
Aksesuarlar
- X Motor

