Klasik Filtresiz Davlumbazlar

Klasik Filtresiz Davlumbazlar, yağ ve su buharının bulunmadığı proseslerde, özellikle ortamdaki havanın uzaklaştırılması amacıyla kullanılır. Bu tür davlumbazlar, kaynak dumanı atımı gibi uygulamalarda da etkili bir şekilde kullanılabilir. Davlumbaz çevresini kaplayan yoğuşma kanalı, buhar ve nem yönetiminde önemli bir rol oynar.

Üretimde AISI 304 paslanmaz çelik kullanılırken, müşteri talebine bağlı olarak galvaniz veya AISI 316 paslanmaz saç seçenekleri de sunulmaktadır. Davlumbaz gövdesi fırçalanmış görünümlü AISI 304 kalite paslanmaz saçtan yapılmış ve ana elemanlar, kolay montaj sağlayan sızdırmaz bağlantılarla birleştirilmiştir. Gerekli yerlerde sızdırmazlık elemanları veya kaynaklı bağlantılar kullanılmıştır. Davlumbazın köşeleri yuvarlatılmış, çapaktan arındırılmış ve yoğuşma kanalına sahiptir. Alt köşeler zararlı suların damlamasını engellemek için sızdırmaz şekilde kaynaklı imalat ile birleştirilmiştir. Bu tasarım, davlumbazın hem işlevsel hem de dayanıklı olmasını sağlar.

Klasik Filtresiz Davlumbazlar

Genel Özellikler

  • X Klasik Filtresiz Davlumbaz, yağ ve su buharının olmadığı proseslerde havanın uzaklaştırılması amacıyla kullanılmaktadır.
  • X Kaynak dumanı atımı için de kullanılabilir.
  • X Davlumbazı çepeçevre kaplayan yoğuşma kanalına sahiptir.
  • X AISI 304 paslanmaz çelikten üretilmektedir ve müşteri isteğine göre galvaniz veya AISI 316 paslanmaz sacdan da üretilebilir.
  • X Davlumbaz gövdesi fırçalanmış görünümlü AISI 304 Kalite paslanmaz saçtan üretilmiş ve ana elemanlar kolay monte edilebilen sızdırmaz bağlantılarla toplanmıştır.
  • X Köşeleri yuvarlatılmış, çapaktan arındırılmış ve alt köşeler zararlı suların damlamasını engelleyecek şekilde sızdırmaz kaynaklı imalatla birleştirilmiştir.

Malzeme

Standart

Opsiyon

Malzeme

AISI 304 kalite paslanmaz sac

AISI 316 kalite paslanmaz sac veya galvaniz

Gövde Sac Kalınlığı

0,8 mm

1 ve 1,2 mm

Derinlik

400 – 600 mm

Egzoz Çıkışları

Dairesel kesitli (Φ315 mm)

Kare veya dikdörtgen kesit

Taze Hava Girişleri

Dairesel kesitli (Φ250 mm)

Kare veya dikdörtgen kesit

Aydınlatma

LED Lamba

Filtre Malzemesi

0,6 mm 304 kalite paslanmaz

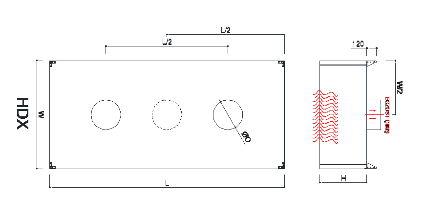
Ölçülendirme

Duvar Tipi Klasik Filtresiz Davlumbaz
Klasik Filtresiz Davlumbazlar

UZUNLUK (L)

DERİNLİK (W)

YÜKSEKLİK (H)

Q

Q1

AYDINLATMA
MODÜL SAYISI

EGZOZ BAĞLANTI SAYISI

TAZE HAVA BAĞLANTI SAYISI

500.…1700

500….1800

400/600

Ø315

1

1700….2950

400/600

Ø315

2

Uzmanlardan Daha Fazla Bilgi Alın Şimdi Ara +90 506 131 26 66