Kolon Klapesi
Kolon Klapesi, havalandırma tesisatlarında branşmanlar arası hava miktarı ve basınç kontrolünü ayarlamak için kullanılan bir bileşendir. Bu klape, damper kanatlarının ayarını manuel kollu veya damper motoru ile yapma imkanı sunar, bu da kullanıcılara hava akışı ve basıncını ihtiyaçlarına göre ayarlama esnekliği sağlar. Kolon klapesinin bu özelliği, havalandırma sistemlerinin verimli ve etkin bir şekilde çalışmasını destekler.
Genel Özellikler
- X Havalandırma tesisatlarında branşmanlar arası arası hava miktarı ve basınç kontrolünü ayarlamak için kullanılır.
- X Damper kanat ayarı manuel kollu veya damper motoru ile yapılır.
Malzeme
- STANDART:
- X Kasa: Galvaniz
- X Kanat: Galvaniz
- OPSİYONEL:
- X Kasa: Paslanmaz
- X Kanat: Paslanmaz
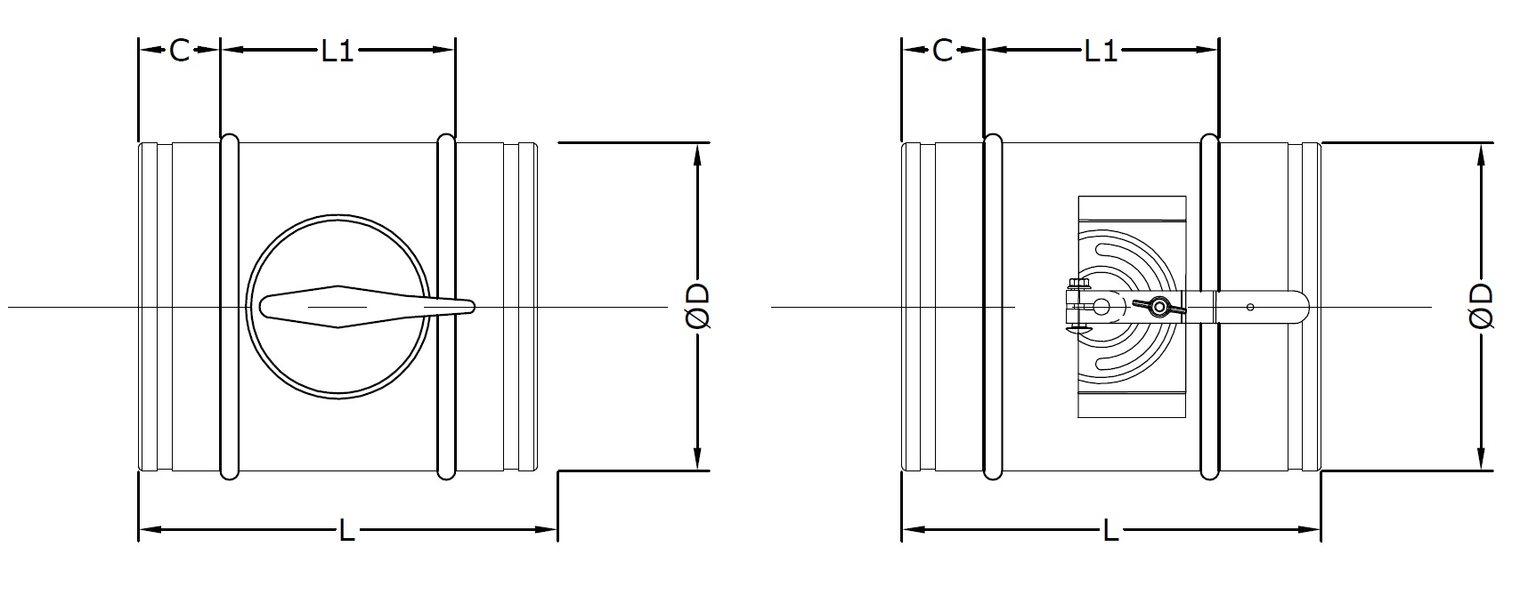
Kasa Tipleri / Ölçülendirme
Klape takımı Ø250 kadar standart olarak plastik, Ø250 den sonra standart metal malzemeden üretilmektedir; isteğe bağlı olarak Ø250 ölçüsünden küçük ölçülerde de metal malzemeden üretilebilir.
|
Çap (mm) |
100 |
125 |
150 |
160 |
180 |
200 |
225 |
250 |
280 |
300 |
315 |
355 |
400 |
450 |
500 |
|
ØD |
98 |
123 |
148 |
158 |
178 |
198 |
223 |
248 |
278 |
298 |
313 |
353 |
398 |
448 |
498 |
|
L |
240 |
240 |
240 |
240 |
240 |
280 |
280 |
280 |
360 |
360 |
360 |
400 |
500 |
500 |
530 |
|
L1 |
160 |
160 |
160 |
160 |
160 |
180 |
180 |
180 |
230 |
230 |
230 |
270 |
370 |
370 |
400 |
|
C |
50 |
50 |
50 |
50 |
50 |
50 |
50 |
50 |
65 |
65 |
65 |
65 |
65 |
65 |
65 |
Hızlı Seçim Tablosu
- Aeff = Efektif Alan
- Qmin = Kanal içindeki hız 1,5 m/s iken hava debisi
- Qmax = Kanal içindeki hız 9,0 m/s iken hava debisi
| 100 | 125 | 140 | 150 | 160 | 180 | 200 | 225 | 250 | 280 | 300 | 315 | 355 | 400 | 450 | 500 |
Aeff (m2) | 0,008 | 0,012 | 0,015 | 0,018 | 0,020 | 0,025 | 0,031 | 0,040 | 0,049 | 0,062 | 0,071 | 0,078 | 0,099 | 0,126 | 0,159 | 0,196 |
Q min (m3/h) | 42 | 66 | 83 | 95 | 109 | 137 | 170 | 215 | 265 | 332 | 382 | 421 | 534 | 678 | 858 | 858 |
Q max (m3/h) | 254 | 397 | 499 | 572 | 651 | 824 | 1017 | 1288 | 1590 | 1994 | 2289 | 2524 | 3205 | 4069 | 5150 | 6359 |
- Q(m3/h): Hava debisi
- V (m/s): Kanal içindeki hava hızı
- ΔP (Pa): Basınç düşüsü
- LWA (dB(A)): Ses gücü seviyesi